|
DRB-P系列半岛电子体育竞技中心官网
及装置(40MPa)
|
|
一、概述
DRB-P系列半岛电子体育竞技中心官网
适用于润滑频率高,配管长度大,润滑点密集的单、双线干稀油集中润滑系统中,作为供给润滑脂的输送装置。还可配备移动小车、胶管、油枪和电缆组成移动式半岛电子体育竞技中心官网
装置,适用于润滑频率低,润滑点少,给油量大,不便于采用集中润滑的单机设备,进行移动供脂润滑。
该系列润滑泵为电动高压柱塞式。工作压力在公称压力范围内可任意调整,有双重过载保护。润滑泵若配备电气控制箱能实现双线集中润滑系统全自动控制,并对系统实现监视。
|
|
|
|
二、技术参数
|
型 号
|
公称压力MPa
|
额定给油量mL/min
|
贮油器容积L
|
电机
|
适用环境温度
|
重 量kg
|
|
功率kW
|
电压
|
|
DRB1-P120Z
|
40
|
120
|
30
|
0.75
|
380
|
0~80
|
70
|
|
DRB2-P120Z
|
0.75
|
-20~80
|
70
|
|
DRB3-P120Z
|
60
|
0.75
|
0~80
|
75
|
|
DRB4-P120Z
|
0.75
|
-20~80
|
75
|
|
DRB5-P235Z
|
235
|
30
|
1.5
|
0~80
|
70
|
|
DRB6-P235Z
|
60
|
79
|
|
DRB7-P235Z
|
100
|
82
|
|
DRB8-P235Z
|
365
|
60
|
74
|
|
DRB9-P235Z
|
|
100
|
82
|
使用介质为锥入度不低于220(25℃,150g)1/10mm 的润滑脂(NLGI0#-3#)和粘度等级大于N68 的润滑油。
|
|
|
|
|
三、型号说明
|
|
|
|
|
|
|
|
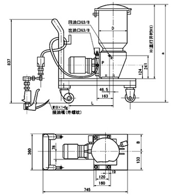
四、外形尺寸
|
|
|
|
|
|
|

|
|
润滑泵的外形尺寸 带小车润滑装置外形尺寸
|
|
|
|
|
|
|
|
|
|
五、工作原理
减速电机固定于带泵装置的连接法兰上,通过驱动偏心轴带动滑叉作直线往复运动,并带动螺旋压油板和刮油板顺时针方向旋转(使用润滑油无此机构),经搅动变软的润滑脂均匀地被压到泵装置吸油口周围。
泵体内二组活塞,每组活塞由1个工作塞和2个控制活塞组成,当一组活塞中的工作活塞完成吸油过程时,另一组活塞中的工作活塞则把润滑脂压向出油口。如下图所示,当滑叉向左运动时,上组活塞完成吸油,下组活塞完成压油,开始新的工作循环。这时下组活塞1、2向左运动,活塞2在弹簧力作用下到达极限位置关闭出口,而活塞1继续向左运动,这时活塞2和1之间形成真空,其真空度随活塞1的左移不断增大,滑叉运动到极限位置活塞1打开吸油口,润滑脂从吸油口吸入,如弹簧力不足,没将活塞2推到极限位置,此时推杆3会在滑叉的推动下强制地把活塞2压到极限位置,同时上组活塞1、2、3向左运动,活塞1先关闭吸油口,被吸入的润滑脂在活塞1的推动下向左移动,当活塞2把出油口打开时,活塞2和推杆3 的运动也就停止,活塞1继续左移,把润滑脂从出油口压出,活塞1、2接触滑叉也已运动到极限位置完成半个循环的工作,如此周而复始地循环,二组活塞交替地将润滑油脂从出油口压送出来,压出的润滑脂经泵装置连接法兰上的过滤器过滤后向系统供送。
|
|
|
|
六、使用说明
1、该系列半岛电子体育竞技中心官网
应安装在环 境合适、灰尘少,便于调整、检查、维修和拆洗及方便补脂的地方。
2、该系列半岛电子体育竞技中心官网
应尽可能布置在系统的中心位置,缩短系统配管长度,保持最低压力降,使泵能产生足以克服润滑点背压的压力。
3、泵调压阀的设定压力,可以在0~40MPa范围内任意调节,在使用时不允许超过泵的公称压力(40MPa)。
4、泵出油口处过滤器的过滤网要定期清洗,防止堵塞。
5、若由于系列某种故障原因,使压力达到约50MPa时,保险片即破裂,要查明原因并排除后再装入新的保险片。
6、向贮油器内补充润滑剂必须使用DJB系列电动补脂泵从贮器补脂口加入。
7、摆线减速机初用二个月必须从排气塞孔补充适量的润滑脂,以后每隔四个月补充一次。
8、该系列半岛电子体育竞技中心官网
为室内安装型,在室外或环境恶劣的场合使用时,必须采取防护措施。
附件
保险片 (存放于泵出油口下侧的螺孔内)
|