DRB-P系列半岛电子体育竞技中心官网 (老款)

  • 产品名称:DRB-P系列半岛电子体育竞技中心官网 (老款)
  • 产品分类:移动式润滑泵系列
  • 公司名称:半岛体肓综合
  • 添加时间:21/06/15
  • 分 享:
产品详情
询盘

DRB-P系列半岛电子体育竞技中心官网 及装置(40MPa)

一、概述
DRB-P系列半岛电子体育竞技中心官网 适用于润滑频率高,配管长度大,润滑点密集的单、双线干稀油集中润滑系统中,作为供给润滑脂的输送装置。还可配备移动小车、胶管、油枪和电缆组成移动式半岛电子体育竞技中心官网 装置,适用于润滑频率低,润滑点少,给油量大,不便于采用集中润滑的单机设备,进行移动供脂润滑。
该系列润滑泵为电动高压柱塞式。工作压力在公称压力范围内可任意调整,有双重过载保护。润滑泵若配备电气控制箱能实现双线集中润滑系统全自动控制,并对系统实现监视。

二、技术参数

型 号

公称压力MPa

额定给油量mL/min

贮油器容积L

电机

适用环境温度

重 量kg

功率kW

电压

DRB1-P120Z

40

120

30

0.75

380

0~80

70

DRB2-P120Z

0.75

-20~80

70

DRB3-P120Z

60

0.75

0~80

75

DRB4-P120Z

0.75

-20~80

75

DRB5-P235Z

235

30

1.5

0~80

70

DRB6-P235Z

60

79

DRB7-P235Z

100

82

DRB8-P235Z

365

60

74

DRB9-P235Z

100

82

使用介质为锥入度不低于220(25℃,150g)1/10mm 的润滑脂(NLGI0#-3#)和粘度等级大于N68 的润滑油。

三、型号说明

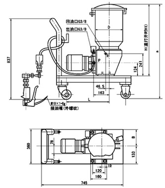
四、外形尺寸

润滑泵的外形尺寸                 带小车润滑装置外形尺寸

五、工作原理
减速电机固定于带泵装置的连接法兰上,通过驱动偏心轴带动滑叉作直线往复运动,并带动螺旋压油板和刮油板顺时针方向旋转(使用润滑油无此机构),经搅动变软的润滑脂均匀地被压到泵装置吸油口周围。
泵体内二组活塞,每组活塞由1个工作塞和2个控制活塞组成,当一组活塞中的工作活塞完成吸油过程时,另一组活塞中的工作活塞则把润滑脂压向出油口。如下图所示,当滑叉向左运动时,上组活塞完成吸油,下组活塞完成压油,开始新的工作循环。这时下组活塞1、2向左运动,活塞2在弹簧力作用下到达极限位置关闭出口,而活塞1继续向左运动,这时活塞2和1之间形成真空,其真空度随活塞1的左移不断增大,滑叉运动到极限位置活塞1打开吸油口,润滑脂从吸油口吸入,如弹簧力不足,没将活塞2推到极限位置,此时推杆3会在滑叉的推动下强制地把活塞2压到极限位置,同时上组活塞1、2、3向左运动,活塞1先关闭吸油口,被吸入的润滑脂在活塞1的推动下向左移动,当活塞2把出油口打开时,活塞2和推杆3 的运动也就停止,活塞1继续左移,把润滑脂从出油口压出,活塞1、2接触滑叉也已运动到极限位置完成半个循环的工作,如此周而复始地循环,二组活塞交替地将润滑油脂从出油口压送出来,压出的润滑脂经泵装置连接法兰上的过滤器过滤后向系统供送。

六、使用说明

1、该系列半岛电子体育竞技中心官网 应安装在环 境合适、灰尘少,便于调整、检查、维修和拆洗及方便补脂的地方。
2、该系列半岛电子体育竞技中心官网 应尽可能布置在系统的中心位置,缩短系统配管长度,保持最低压力降,使泵能产生足以克服润滑点背压的压力。
3、泵调压阀的设定压力,可以在0~40MPa范围内任意调节,在使用时不允许超过泵的公称压力(40MPa)。
4、泵出油口处过滤器的过滤网要定期清洗,防止堵塞。
5、若由于系列某种故障原因,使压力达到约50MPa时,保险片即破裂,要查明原因并排除后再装入新的保险片。
6、向贮油器内补充润滑剂必须使用DJB系列电动补脂泵从贮器补脂口加入。
7、摆线减速机初用二个月必须从排气塞孔补充适量的润滑脂,以后每隔四个月补充一次。
8、该系列半岛电子体育竞技中心官网 为室内安装型,在室外或环境恶劣的场合使用时,必须采取防护措施。


附件
保险片 (存放于泵出油口下侧的螺孔内)


点击次数: 更新时间:21/06/15 14:12:06 【 打印此页】 【 关闭
半岛体肓综合

传真:0533-4546567
邮箱:yaotujixie@126.com
客服QQ:2292008898
地址:山东省淄博市博山区博山镇邀兔村



电话:18653634587 /15094870999 (郑经理)
15053352905(朱经理)
13053350866(孙经理)
固话:0533-4548999


扫码添加微信
半岛体肓综合鲁ICP备20016948号-2 | | 网站地图
本站部分图片和内容来源于网络,版权归原创作者或原公司所有,如果您认为我们侵犯了您的版权,请告知!我们将立即删除
Baidu
map